声学楼论坛技术交流区电声器件与系统设计耳机设计与测试评价室 → 入耳式圈铁耳机的简单仿真


  共有16913人关注过本帖树形打印复制链接

主题:入耳式圈铁耳机的简单仿真

帅哥哟,离线,有人找我吗?
水仙
  1楼 | QQ | 信息 | 搜索 | 邮箱 | 主页 | UC


加好友 发短信 电声从业人员
等级:超级版主 帖子:6565 积分:51349 威望:10 精华:39 注册:2005-10-28 8:32:06
入耳式圈铁耳机的简单仿真  发帖心情 Post By:2016-11-29 17:09:39 [只看该作者]

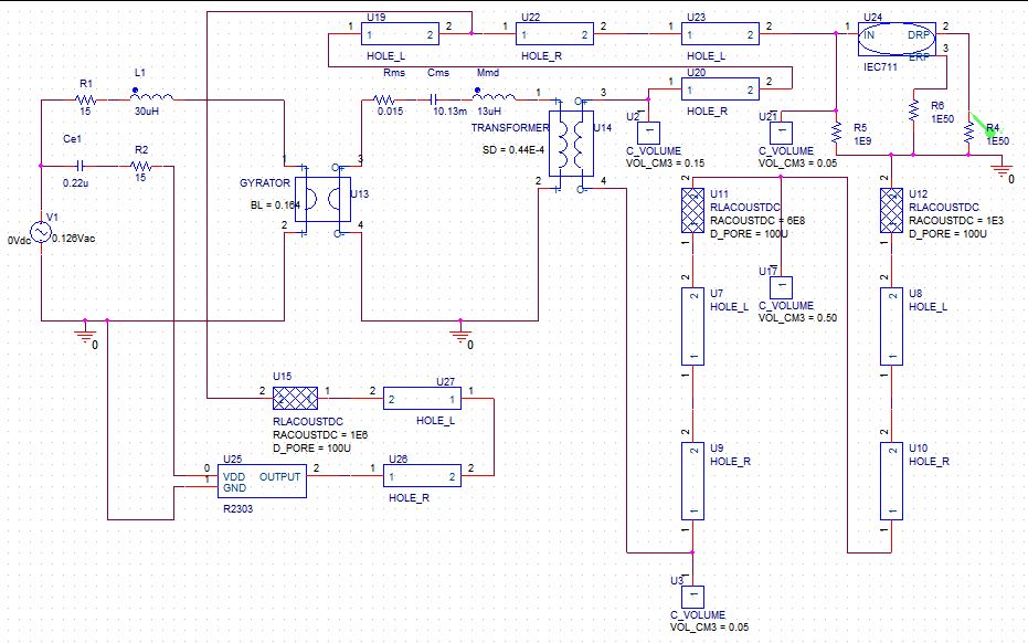
重新做了一下圈铁耳机的仿真:

 


图片点击可在新窗口打开查看此主题相关图片如下:001.jpg
图片点击可在新窗口打开查看


声学楼--声学工程师之家
QQ:350824984,邮件:adrian_chi@163.com,微博:adrian_chi,微信:adrian_chi
 回到顶部
帅哥哟,离线,有人找我吗?
水仙
  2楼 | QQ | 信息 | 搜索 | 邮箱 | 主页 | UC


加好友 发短信 电声从业人员
等级:超级版主 帖子:6565 积分:51349 威望:10 精华:39 注册:2005-10-28 8:32:06
  发帖心情 Post By:2016-11-29 17:10:55 [只看该作者]


图片点击可在新窗口打开查看此主题相关图片如下:002.jpg
图片点击可在新窗口打开查看


声学楼--声学工程师之家
QQ:350824984,邮件:adrian_chi@163.com,微博:adrian_chi,微信:adrian_chi
 回到顶部
帅哥哟,离线,有人找我吗?
水仙
  3楼 | QQ | 信息 | 搜索 | 邮箱 | 主页 | UC


加好友 发短信 电声从业人员
等级:超级版主 帖子:6565 积分:51349 威望:10 精华:39 注册:2005-10-28 8:32:06
  发帖心情 Post By:2016-11-29 17:19:32 [只看该作者]


图片点击可在新窗口打开查看此主题相关图片如下:003.jpg
图片点击可在新窗口打开查看


声学楼--声学工程师之家
QQ:350824984,邮件:adrian_chi@163.com,微博:adrian_chi,微信:adrian_chi
 回到顶部
帅哥哟,离线,有人找我吗?
水仙
  4楼 | QQ | 信息 | 搜索 | 邮箱 | 主页 | UC


加好友 发短信 电声从业人员
等级:超级版主 帖子:6565 积分:51349 威望:10 精华:39 注册:2005-10-28 8:32:06
  发帖心情 Post By:2016-11-29 17:22:06 [只看该作者]

设计不好,分频不好,在3-4kHz容易出现峰,在7kHz附近容易产生谷。


声学楼--声学工程师之家
QQ:350824984,邮件:adrian_chi@163.com,微博:adrian_chi,微信:adrian_chi
 回到顶部
帅哥哟,离线,有人找我吗?
nisa
  5楼 | 信息 | 搜索 | 邮箱 | 主页 | UC


加好友 发短信 无名小卒
等级:职业侠客 帖子:114 积分:2635 威望:0 精华:0 注册:2006-11-12 0:48:14
  发帖心情 Post By:2016-11-30 14:40:21 [只看该作者]

以下是引用水仙在2016-11-29 17:22:06的发言:
设计不好,分频不好,在3-4kHz容易出现峰,在7kHz附近容易产生谷。
這句話是不是可以說在3-4kHz容易出现峰是不太好的設計呢?
可是在另外一個貼子,奚工提到的“耳机的目标曲线”在3-4kHz可是有個明顯的峰啊,疑惑中!
图片点击可在新窗口打开查看


 回到顶部
帅哥哟,离线,有人找我吗?
ning_5987
  6楼 | 信息 | 搜索 | 邮箱 | 主页 | UC


加好友 发短信
等级:职业侠客 帖子:127 积分:992 威望:0 精华:0 注册:2015-5-26 16:05:31
  发帖心情 Post By:2016-11-30 16:49:31 [只看该作者]

和设计师的调音手法不一样吧,比如AKG 3003和SONY A3类似,趋向于声场,力度,分离度,解析力。而IE800趋向于平衡调音,还有平直调音,趋向于人声;金耳朵调音等。

 回到顶部
帅哥哟,离线,有人找我吗?
水仙
  7楼 | QQ | 信息 | 搜索 | 邮箱 | 主页 | UC


加好友 发短信 电声从业人员
等级:超级版主 帖子:6565 积分:51349 威望:10 精华:39 注册:2005-10-28 8:32:06
  发帖心情 Post By:2016-12-1 7:52:02 [只看该作者]

3-4kHz是应该有峰,只是不能太高,过犹不及


声学楼--声学工程师之家
QQ:350824984,邮件:adrian_chi@163.com,微博:adrian_chi,微信:adrian_chi
 回到顶部
帅哥哟,离线,有人找我吗?
水仙
  8楼 | QQ | 信息 | 搜索 | 邮箱 | 主页 | UC


加好友 发短信 电声从业人员
等级:超级版主 帖子:6565 积分:51349 威望:10 精华:39 注册:2005-10-28 8:32:06
  发帖心情 Post By:2016-12-1 7:58:55 [只看该作者]

个人不喜欢IE800的声音(风格)



声学楼--声学工程师之家
QQ:350824984,邮件:adrian_chi@163.com,微博:adrian_chi,微信:adrian_chi
 回到顶部
帅哥哟,离线,有人找我吗?
Acoustics
  9楼 | 信息 | 搜索 | 邮箱 | 主页 | UC


加好友 发短信 电声工程师
等级:版主 帖子:3520 积分:26241 威望:2 精华:19 注册:2006-2-13 13:44:44
  发帖心情 Post By:2016-12-1 22:34:58 [只看该作者]

K3003的声音高频有点稍多。
SONY的A3曲线看起来不好,但还是多人喜欢。


学无止境!
 回到顶部
帅哥哟,离线,有人找我吗?
youth3210
  10楼 | 信息 | 搜索 | 邮箱 | 主页 | UC


加好友 发短信
等级:新手上路 帖子:64 积分:519 威望:0 精华:0 注册:2007-12-16 10:26:10
  发帖心情 Post By:2016-12-6 13:47:27 [只看该作者]

奚老师,K3003 8kHz点的高频尾音有好的消除办法吗,试过加大阻尼,稍微消了2dB 但是清晰度和细节表现损失比较严重。


xixi ha ha
 回到顶部
总数 12 1 2 下一页