声学楼论坛信息发布区行业动态室 → BOX中空气在做什么?


  共有9037人关注过本帖树形打印复制链接

主题:BOX中空气在做什么?

帅哥哟,离线,有人找我吗?
db
  1楼 | 信息 | 搜索 | 邮箱 | 主页 | UC


加好友 发短信 魔幻大师
等级:新手上路 帖子:1360 积分:12686 威望:2 精华:5 注册:2005-11-21 20:56:56
BOX中空气在做什么?  发帖心情 Post By:2005-11-29 20:46:05 [只看该作者]

很少见到对BOX中声学现象解说分析,也是有意思啊.

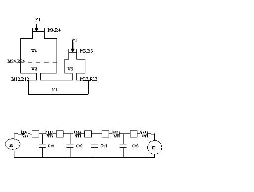
BOX中至少可划分以下几个腔室:

1.磁路围成的空气腔V1,2.弹波与华司,支架与音圈管壁外围成的空气腔V2,

3.中柱上部,防尘帽下,与音圈管壁内围成的空气腔V3

4.外部与箱体为界的最大腔V4

作用不一样吧,V1,V3象赫姆霍兹共鸣器,V2XIE泄流过渡腔,V4是个气垫也

通风散热,泄压平衡,消声降躁,吸音隔振,设计要考虑

请声学DX细细评说


[此贴子已经被作者于2005-11-29 20:47:36编辑过]


久违了,这次搬来了很多砖头,别闪啊,呵呵
 回到顶部
帅哥哟,离线,有人找我吗?
xspeaker
  2楼 | 信息 | 搜索 | 邮箱 | 主页 | UC


加好友 发短信
等级:新手上路 帖子:51 积分:770 威望:0 精华:0 注册:2005-11-29 18:59:13
  发帖心情 Post By:2005-11-29 20:52:01 [只看该作者]

扬声器工作的时候,每个腔内的空气都在锻炼身体啊!

 回到顶部
帅哥哟,离线,有人找我吗?
原声
  3楼 | 信息 | 搜索 | 邮箱 | 主页 | UC


加好友 发短信 爱好者
等级:新手上路 帖子:881 积分:5997 威望:1 精华:0 注册:2005-11-22 8:09:48
  发帖心情 Post By:2005-11-29 21:11:28 [只看该作者]

当你分析一下受话器或耳机的时候,就知每个腔体的作用和对频响哪一部分起作用了.

好一点的扬声器会将DB所说的几个腔体全部打通的!


 回到顶部
帅哥哟,离线,有人找我吗?
db
  4楼 | 信息 | 搜索 | 邮箱 | 主页 | UC


加好友 发短信 魔幻大师
等级:新手上路 帖子:1360 积分:12686 威望:2 精华:5 注册:2005-11-21 20:56:56
  发帖心情 Post By:2005-11-29 22:03:50 [只看该作者]

以下是引用原声在2005-11-29 21:11:28的发言:

当你分析一下受话器或耳机的时候,就知每个腔体的作用和对频响哪一部分起作用了.

好一点的扬声器会将DB所说的几个腔体全部打通的!

好.很多业务爱好者没做过受话器或耳机,并不熟悉这方面的声学知识应用.

还是值得一提的.

腔体多大,为什么要打通?应该考虑的.

[此贴子已经被作者于2005-11-29 22:10:41编辑过]


久违了,这次搬来了很多砖头,别闪啊,呵呵
 回到顶部
帅哥哟,离线,有人找我吗?
音响初哥
  5楼 | 信息 | 搜索 | 邮箱 | 主页 | UC


加好友 发短信 东厂仅一位
等级:超级版主 帖子:2753 积分:21830 威望:10 精华:20 注册:2005-10-31 11:19:00
  发帖心情 Post By:2005-11-30 15:29:11 [只看该作者]

以下是引用db在2005-11-29 20:46:05的发言:

很少见到对BOX中声学现象解说分析,也是有意思啊.

BOX中至少可划分以下几个腔室:

1.磁路围成的空气腔V1,2.弹波与华司,支架与音圈管壁外围成的空气腔V2,

3.中柱上部,防尘帽下,与音圈管壁内围成的空气腔V3

4.外部与箱体为界的最大腔V4

作用不一样吧,V1,V3象赫姆霍兹共鸣器,V2XIE泄流过渡腔,V4是个气垫也

通风散热,泄压平衡,消声降躁,吸音隔振,设计要考虑

请声学DX细细评说



v1 v2 v3 相互私通,专门孵小鸡,小鸡生出来唧唧喳喳,烦!!很想把它们都放出去!!V4听说有点出息,但也经常唧唧歪歪,生一些“简正”的毛病,体质不太好!经常要找医生看,也挺闹心的!

[此贴子已经被作者于2005-11-30 15:31:16编辑过]


设计及承建消声室/试听室;提供专业隔声门/吸声尖劈
mobile:13632682797
qq:93514358
 回到顶部
帅哥哟,离线,有人找我吗?
db
  6楼 | 信息 | 搜索 | 邮箱 | 主页 | UC


加好友 发短信 魔幻大师
等级:新手上路 帖子:1360 积分:12686 威望:2 精华:5 注册:2005-11-21 20:56:56
  发帖心情 Post By:2005-11-30 21:32:09 [只看该作者]

很多怪声问题多出在V3,

V1受的窝囊气有多大?

[此贴子已经被作者于2005-11-30 21:34:51编辑过]


久违了,这次搬来了很多砖头,别闪啊,呵呵
 回到顶部
帅哥哟,离线,有人找我吗?
音响初哥
  7楼 | 信息 | 搜索 | 邮箱 | 主页 | UC


加好友 发短信 东厂仅一位
等级:超级版主 帖子:2753 积分:21830 威望:10 精华:20 注册:2005-10-31 11:19:00
  发帖心情 Post By:2005-12-1 19:59:51 [只看该作者]

以下是引用db在2005-11-30 21:32:09的发言:

很多怪声问题多出在V3,

V1受的窝囊气有多大?


这个问题比较奇怪,也许具体问题,具体分析比较好!



设计及承建消声室/试听室;提供专业隔声门/吸声尖劈
mobile:13632682797
qq:93514358
 回到顶部
帅哥哟,离线,有人找我吗?
db
  8楼 | 信息 | 搜索 | 邮箱 | 主页 | UC


加好友 发短信 魔幻大师
等级:新手上路 帖子:1360 积分:12686 威望:2 精华:5 注册:2005-11-21 20:56:56
  发帖心情 Post By:2005-12-1 20:42:46 [只看该作者]

以下是引用音响初哥在2005-12-01 19:59:51的发言:

这个问题比较奇怪,也许具体问题,具体分析比较好!

是啊,昨日我画了几张图,这么也传不上来.急死人!word文件如何才能传?

对BOX内部进行声学回路和隔板振动分析,很有价值!

看看周围的扬声器吧,大量出自外行之手.可惜!



久违了,这次搬来了很多砖头,别闪啊,呵呵
 回到顶部
帅哥哟,离线,有人找我吗?
水仙
  9楼 | QQ | 信息 | 搜索 | 邮箱 | 主页 | UC


加好友 发短信 电声从业人员
等级:超级版主 帖子:6565 积分:51373 威望:10 精华:39 注册:2005-10-28 8:32:06
  发帖心情 Post By:2005-12-1 20:48:02 [只看该作者]

可以上传BMP JPG GIF RAR 等文件

 回到顶部
帅哥哟,离线,有人找我吗?
db
  10楼 | 信息 | 搜索 | 邮箱 | 主页 | UC


加好友 发短信 魔幻大师
等级:新手上路 帖子:1360 积分:12686 威望:2 精华:5 注册:2005-11-21 20:56:56
  发帖心情 Post By:2005-12-2 20:22:53 [只看该作者]

BOX内部声学模型



此主题相关图片如下:
按此在新窗口浏览图片
[此贴子已经被作者于2005-12-08 20:31:32编辑过]


久违了,这次搬来了很多砖头,别闪啊,呵呵
 回到顶部
帅哥哟,离线,有人找我吗?
音响初哥
  11楼 | 信息 | 搜索 | 邮箱 | 主页 | UC


加好友 发短信 东厂仅一位
等级:超级版主 帖子:2753 积分:21830 威望:10 精华:20 注册:2005-10-31 11:19:00
  发帖心情 Post By:2005-12-2 20:57:12 [只看该作者]

??


设计及承建消声室/试听室;提供专业隔声门/吸声尖劈
mobile:13632682797
qq:93514358
 回到顶部
帅哥哟,离线,有人找我吗?
原声
  12楼 | 信息 | 搜索 | 邮箱 | 主页 | UC


加好友 发短信 爱好者
等级:新手上路 帖子:881 积分:5997 威望:1 精华:0 注册:2005-11-22 8:09:48
  发帖心情 Post By:2005-12-3 23:56:02 [只看该作者]

前面有DB的图,哪位分析一下!

 回到顶部
帅哥哟,离线,有人找我吗?
音响初哥
  13楼 | 信息 | 搜索 | 邮箱 | 主页 | UC


加好友 发短信 东厂仅一位
等级:超级版主 帖子:2753 积分:21830 威望:10 精华:20 注册:2005-10-31 11:19:00
  发帖心情 Post By:2005-12-4 0:17:55 [只看该作者]

DB这个图如果Cv4和前贴所说的C4是一个概念的话,那么这个图就很有问题!!



设计及承建消声室/试听室;提供专业隔声门/吸声尖劈
mobile:13632682797
qq:93514358
 回到顶部
帅哥哟,离线,有人找我吗?
国明
  14楼 | 信息 | 搜索 | 邮箱 | 主页 | UC


加好友 发短信
等级:蜘蛛侠 帖子:1443 积分:10273 威望:0 精华:5 注册:2005-11-10 16:39:36
  发帖心情 Post By:2005-12-4 2:01:01 [只看该作者]

图画的还行,有无模拟结果?有无实测结果?

如果不能验证就是纸上谈兵.

M24,R24同CV4在用阻抗图来看应该是在一条支路上,楼主画错了

 回到顶部
帅哥哟,离线,有人找我吗?
音响初哥
  15楼 | 信息 | 搜索 | 邮箱 | 主页 | UC


加好友 发短信 东厂仅一位
等级:超级版主 帖子:2753 积分:21830 威望:10 精华:20 注册:2005-10-31 11:19:00
  发帖心情 Post By:2006-2-3 0:22:51 [只看该作者]

DB老兄这个帖子里的东西搞完了吗?整天忙着种地,不想着收获,为的什么?


设计及承建消声室/试听室;提供专业隔声门/吸声尖劈
mobile:13632682797
qq:93514358
 回到顶部
帅哥哟,离线,有人找我吗?
原声
  16楼 | 信息 | 搜索 | 邮箱 | 主页 | UC


加好友 发短信 爱好者
等级:新手上路 帖子:881 积分:5997 威望:1 精华:0 注册:2005-11-22 8:09:48
  发帖心情 Post By:2006-2-3 0:33:20 [只看该作者]

以下是引用db在2005-11-30 21:32:09的发言:

很多怪声问题多出在V3,

V1受的窝囊气有多大?


高音的怪声就来源于此,原来DB早就分析过了!


 回到顶部
帅哥哟,离线,有人找我吗?
音响初哥
  17楼 | 信息 | 搜索 | 邮箱 | 主页 | UC


加好友 发短信 东厂仅一位
等级:超级版主 帖子:2753 积分:21830 威望:10 精华:20 注册:2005-10-31 11:19:00
  发帖心情 Post By:2006-3-10 18:54:34 [只看该作者]

这个帖子不错,有点系统设计的概念!


设计及承建消声室/试听室;提供专业隔声门/吸声尖劈
mobile:13632682797
qq:93514358
 回到顶部
帅哥哟,离线,有人找我吗?
db
  18楼 | 信息 | 搜索 | 邮箱 | 主页 | UC


加好友 发短信 魔幻大师
等级:新手上路 帖子:1360 积分:12686 威望:2 精华:5 注册:2005-11-21 20:56:56
  发帖心情 Post By:2006-3-10 21:50:30 [只看该作者]

那个图很耐看啊,给人的想象空间也较大.DB老兄这个帖子里的东西不可能完全搞完.整天忙着种地,不是不想着收获,实在是太累了

道理是显而易见的,可要针对下药不是那么能随心所欲的.

大多数情况关在里面只要不发脾气,就听之任之了.

[此贴子已经被作者于2006-03-10 21:52:52编辑过]


久违了,这次搬来了很多砖头,别闪啊,呵呵
 回到顶部