声学楼论坛技术交流区电声器件与系统设计音箱及分频器设计室 → [讨论]意大利dB M系列音箱特殊分频器的问题


  共有16807人关注过本帖树形打印复制链接

主题:[讨论]意大利dB M系列音箱特殊分频器的问题

帅哥哟,离线,有人找我吗?
fxp82
  1楼 | 信息 | 搜索 | 邮箱 | 主页 | UC


加好友 发短信
等级:新手上路 帖子:42 积分:531 威望:0 精华:0 注册:2006-10-28 13:23:04
[讨论]意大利dB M系列音箱特殊分频器的问题  发帖心情 Post By:2006-11-15 18:02:41 [只看该作者]

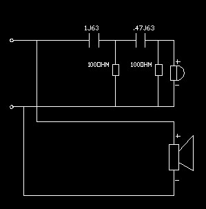
意大利dB  M系列音箱特殊分频器的问题

电路如图,可以看出这是一个rc滤波器,问题是这种电路多用与小信号分频,这款箱用于功率分频上,觉得不可思.因为没测试仪器,从听感上觉得高音的能量并不多,低音为6",高音为1"球顶,箱体为塑料箱.

电路中电阻为色环电阻.


图片点击可在新窗口打开查看此主题相关图片如下:
图片点击可在新窗口打开查看

 回到顶部
帅哥哟,离线,有人找我吗?
WANGFUYU
  2楼 | 信息 | 搜索 | 邮箱 | 主页 | UC


加好友 发短信
等级:贵宾 帖子:155 积分:1867 威望:2 精华:10 注册:2005-11-6 2:59:06
  发帖心情 Post By:2006-11-15 20:57:42 [只看该作者]

高音1U和0.47U电容,按常规是偏小,不知高音是何形式(高阻吗?),阻抗多少?

低音直通是可以的,不过也浪费了(旁路)很多高频信号,除非高音灵敏度比低音高很多或是高阻抗的


 回到顶部
帅哥哟,离线,有人找我吗?
fxp82
  3楼 | 信息 | 搜索 | 邮箱 | 主页 | UC


加好友 发短信
等级:新手上路 帖子:42 积分:531 威望:0 精华:0 注册:2006-10-28 13:23:04
  发帖心情 Post By:2006-11-16 9:16:01 [只看该作者]

高音拆过,音膜为球顶,25芯,材料有点像pen,背面涂黑,周边打8个孔,磁路结构看不清楚,(拆不了,可能拆了会坏)一点可以肯定的是磁路设计不是我们普通的磁体结构,也不是带式.


 回到顶部
帅哥哟,离线,有人找我吗?
fxp82
  4楼 | 信息 | 搜索 | 邮箱 | 主页 | UC


加好友 发短信
等级:新手上路 帖子:42 积分:531 威望:0 精华:0 注册:2006-10-28 13:23:04
  发帖心情 Post By:2006-11-16 9:19:20 [只看该作者]

"除非高音灵敏度比低音高很多或是高阻抗的"

请问WANGFUYU为什么高阻这种电路就可以?


 回到顶部
帅哥哟,离线,有人找我吗?
心动
  5楼 | QQ | 信息 | 搜索 | 邮箱 | 主页 | UC


加好友 发短信 学徒
等级:蝙蝠侠 帖子:794 积分:4915 威望:0 精华:0 注册:2005-11-9 13:29:18
  发帖心情 Post By:2006-11-17 10:46:40 [只看该作者]

贴个高音喇叭的图好了,或许有人知道

 回到顶部
帅哥哟,离线,有人找我吗?
音响初哥
  6楼 | 信息 | 搜索 | 邮箱 | 主页 | UC


加好友 发短信 东厂仅一位
等级:超级版主 帖子:2753 积分:21830 威望:10 精华:20 注册:2005-10-31 11:19:00
  发帖心情 Post By:2006-11-20 22:21:28 [只看该作者]

LJ!


设计及承建消声室/试听室;提供专业隔声门/吸声尖劈
mobile:13632682797
qq:93514358
 回到顶部
帅哥哟,离线,有人找我吗?
yuanxu
  7楼 | 信息 | 搜索 | 邮箱 | 主页 | UC


加好友 发短信 九天
等级:新手上路 帖子:378 积分:4514 威望:0 精华:0 注册:2005-11-30 12:29:41
  发帖心情 Post By:2006-11-21 12:57:32 [只看该作者]

坐好,等各位DS的高见.

 回到顶部
帅哥哟,离线,有人找我吗?
美猴王
  8楼 | 信息 | 搜索 | 邮箱 | 主页 | UC


加好友 发短信 孙行者
等级:新手上路 帖子:181 积分:1565 威望:0 精华:0 注册:2006-11-20 20:58:42
  发帖心情 Post By:2006-11-21 15:23:21 [只看该作者]

坐在树上听听!!!


俺老孙,闹天宫,斗如来,保唐僧,降妖魔,取真经!

 回到顶部
帅哥哟,离线,有人找我吗?
玛田音箱
  9楼 | QQ | 信息 | 搜索 | 邮箱 | 主页 | UC


加好友 发短信
等级:蜘蛛侠 帖子:1078 积分:12778 威望:0 精华:0 注册:2006-7-27 20:39:17
我几天开发的一款音箱(PS系列)  发帖心情 Post By:2006-11-22 15:01:28 [只看该作者]

说明开发者,不光懂喇叭,还懂分频器等,

这种电路不奇怪,只是大家以前没有见过,关于这个问题的解释是这样的,把声音调好听就可以了,这位设计者设计的低音可能频带很宽,大约到了10K,(6寸做到10K是很正常的)所以分频点就在10K,高音就不需要这么大的电容了,我附的这款曲线分频点就在10K,低音直通,


图片点击可在新窗口打开查看此主题相关图片如下:
图片点击可在新窗口打开查看


QQ:伍肆叁捌玖零玖陆叁
SKYPE:MT13425115072
手机:壹捌玖-零贰伍伍-玖壹壹壹
 回到顶部
帅哥哟,离线,有人找我吗?
谁是谁
  10楼 | 信息 | 搜索 | 邮箱 | 主页 | UC


加好友 发短信 扔砖头的老大爷
等级:黑侠 帖子:472 积分:4623 威望:1 精华:29 注册:2005-11-9 16:52:23
  发帖心情 Post By:2006-11-22 23:17:52 [只看该作者]

6寸做到10K就算正常,有没有分析测指向特性呢?


板砖促进会新晋会员!!!野兔帮预备会员!!!

        
        

 回到顶部
帅哥哟,离线,有人找我吗?
imxp
  11楼 | 信息 | 搜索 | 邮箱 | 主页 | UC


加好友 发短信 野兔新任书记员
等级:版主 帖子:809 积分:14423 威望:2 精华:10 注册:2005-11-6 0:00:34
  发帖心情 Post By:2006-11-23 4:47:02 [只看该作者]

以下是引用玛田音箱在2006-11-22 15:01:28的发言:

说明开发者,不光懂喇叭,还懂分频器等,

这种电路不奇怪,只是大家以前没有见过,关于这个问题的解释是这样的,把声音调好听就可以了,这位设计者设计的低音可能频带很宽,大约到了10K,(6寸做到10K是很正常的)所以分频点就在10K,高音就不需要这么大的电容了,我附的这款曲线分频点就在10K,低音直通,


图片点击可在新窗口打开查看此主题相关图片如下:
图片点击可在新窗口打开查看

楼上这段话有些地方真的看的不大明白,呵呵



你在楼上拍板砖,拍板砖人在楼下拍你。

 回到顶部
帅哥哟,离线,有人找我吗?
fxp82
  12楼 | 信息 | 搜索 | 邮箱 | 主页 | UC


加好友 发短信
等级:新手上路 帖子:42 积分:531 威望:0 精华:0 注册:2006-10-28 13:23:04
  发帖心情 Post By:2006-11-23 11:36:26 [只看该作者]

呵呵,我也看不懂,有空拍两张内部图传上来,dx们也可以到www.dbtechnologies.com查m80或m90的音响看看能找出什么设计原理,我是看不出.

 回到顶部
帅哥哟,离线,有人找我吗?
xj
  13楼 | 信息 | 搜索 | 邮箱 | 主页 | UC


加好友 发短信 野兔帮-书记
等级:版主 帖子:1149 积分:10316 威望:2 精华:10 注册:2005-10-31 9:38:55
  发帖心情 Post By:2006-11-23 13:25:12 [只看该作者]

以下是引用谁是谁在2006-11-22 23:17:52的发言:
6寸做到10K就算正常,有没有分析测指向特性呢?

依我看就不用分析了,一分析中间一个大窿,多不好看啊



野兔帮CEO
 回到顶部
帅哥哟,离线,有人找我吗?
音响制造
  14楼 | 信息 | 搜索 | 邮箱 | 主页 | UC


加好友 发短信
等级:新手上路 帖子:59 积分:926 威望:0 精华:0 注册:2006-9-30 10:17:48
  发帖心情 Post By:2007-1-15 4:49:32 [只看该作者]

以下是引用fxp82在2006-11-15 18:02:41的发言:

意大利dB  M系列音箱特殊分频器的问题

电路如图,可以看出这是一个rc滤波器,问题是这种电路多用与小信号分频,这款箱用于功率分频上,觉得不可思.因为没测试仪器,从听感上觉得高音的能量并不多,低音为6",高音为1"球顶,箱体为塑料箱.

电路中电阻为色环电阻.


图片点击可在新窗口打开查看此主题相关图片如下:
图片点击可在新窗口打开查看

好东西!学习!


 回到顶部
帅哥哟,离线,有人找我吗?
szwangjianhua
  15楼 | QQ | 信息 | 搜索 | 邮箱 | 主页 | UC


加好友 发短信 职业侠客
等级:业余侠客 帖子:62 积分:1939 威望:0 精华:0 注册:2006-6-11 11:07:57
  发帖心情 Post By:2007-1-23 13:55:53 [只看该作者]

我见过我客户有过类似的分频设计,据客户讲高音部分出来的声音很小,装饰的成分比较大!

 回到顶部
帅哥哟,离线,有人找我吗?
j811218
  16楼 | 信息 | 搜索 | 邮箱 | 主页 | UC


加好友 发短信
等级:新手上路 帖子:5 积分:150 威望:0 精华:0 注册:2006-11-11 10:46:10
  发帖心情 Post By:2007-5-24 11:40:52 [只看该作者]

意大利的DB绝对是LJ,就算收购了RCF也没见好东西出来图片点击可在新窗口打开查看

 回到顶部
帅哥哟,离线,有人找我吗?
bcq
  17楼 | 信息 | 搜索 | 邮箱 | 主页 | UC


加好友 发短信
等级:新手上路 帖子:8 积分:70 威望:0 精华:0 注册:2007-10-19 21:24:12
  发帖心情 Post By:2007-10-19 22:28:18 [只看该作者]

好东西!学习!


 回到顶部
帅哥哟,离线,有人找我吗?
qp
  18楼 | 信息 | 搜索 | 邮箱 | 主页 | UC


加好友 发短信
等级:业余侠客 帖子:76 积分:1796 威望:0 精华:0 注册:2006-6-17 19:06:51
  发帖心情 Post By:2007-10-21 22:55:33 [只看该作者]

这东西最大的优点就是省了电感,电感可是铜线绕的,有有色金属是很贵的,这样一来可以省下不少成本.


 回到顶部
帅哥哟,离线,有人找我吗?
danny
  19楼 | 信息 | 搜索 | 邮箱 | 主页 | UC


加好友 发短信 一天到晚游泳的鱼
等级:黑侠 帖子:532 积分:5742 威望:0 精华:0 注册:2005-11-3 9:29:19
  发帖心情 Post By:2007-10-25 21:54:07 [只看该作者]

没看出这个设计的明堂来哟!
呵呵......
没见过,也没这样做过,但应该不会是什么好东东的吧.


学习
 回到顶部
帅哥哟,离线,有人找我吗?
lucning
  20楼 | 信息 | 搜索 | 邮箱 | 主页 | UC


加好友 发短信
等级:论坛游侠 帖子:30 积分:1467 威望:0 精华:0 注册:2006-3-17 13:22:44
  发帖心情 Post By:2007-10-26 11:18:03 [只看该作者]

高音声音很小12KHZ到上限

 回到顶部
总数 25 1 2 下一页