声学楼论坛信息发布区自由交流室 → 找一款方形兩寸半喇叭


  共有10166人关注过本帖树形打印复制链接

主题:找一款方形兩寸半喇叭

帅哥哟,离线,有人找我吗?
揚聲器初學者
  1楼 | 信息 | 搜索 | 邮箱 | 主页 | UC


加好友 发短信
等级:论坛游侠 帖子:26 积分:347 威望:0 精华:0 注册:2011-6-3 11:03:41
找一款方形兩寸半喇叭  发帖心情 Post By:2012-2-10 10:12:06 [只看该作者]

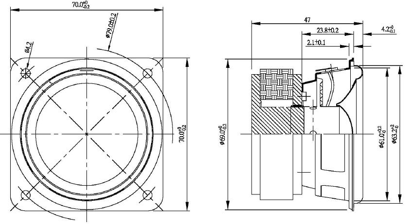
FO100,7歐,10W-15W.  哪家能夠提供, 請提供聯系方式。 謝謝


图片点击可在新窗口打开查看此主题相关图片如下:aaa.jpg
图片点击可在新窗口打开查看

 回到顶部
帅哥哟,离线,有人找我吗?
yangphlin
  2楼 | 信息 | 搜索 | 邮箱 | 主页 | UC


加好友 发短信
等级:新手上路 帖子:138 积分:1968 威望:0 精华:0 注册:2006-12-11 14:03:04
  发帖心情 Post By:2012-2-10 13:03:43 [只看该作者]

泡边的还是橡胶的

 回到顶部
帅哥哟,离线,有人找我吗?
云哥
  3楼 | QQ | 信息 | 搜索 | 邮箱 | 主页 | UC


加好友 发短信
等级:新手上路 帖子:4 积分:421 威望:0 精华:0 注册:2011-9-12 11:36:18
  发帖心情 Post By:2012-2-12 13:13:13 [只看该作者]

电话洽谈15016054358.

 回到顶部
帅哥哟,离线,有人找我吗?
揚聲器初學者
  4楼 | 信息 | 搜索 | 邮箱 | 主页 | UC


加好友 发短信
等级:论坛游侠 帖子:26 积分:347 威望:0 精华:0 注册:2011-6-3 11:03:41
  发帖心情 Post By:2012-2-13 9:03:36 [只看该作者]

以下是引用yangphlin在2012-02-10 13:03:43的发言:
泡边的还是橡胶的

橡膠邊


 回到顶部
帅哥哟,离线,有人找我吗?
陈泽锋
  5楼 | 信息 | 搜索 | 邮箱 | 主页 | UC


加好友 发短信 军委主席
等级:业余侠客 帖子:58 积分:452 威望:0 精华:0 注册:2012-2-9 20:23:26
  发帖心情 Post By:2012-2-13 23:44:45 [只看该作者]

资料提供详细点

 回到顶部
帅哥哟,离线,有人找我吗?
zhaifalin
  6楼 | 信息 | 搜索 | 邮箱 | 主页 | UC


加好友 发短信
等级:黑侠 帖子:450 积分:2568 威望:0 精华:0 注册:2011-6-30 12:58:47
  发帖心情 Post By:2012-4-12 14:24:02 [只看该作者]

橡胶边好一点


 回到顶部