声学楼论坛技术交流区电声器件与系统设计音箱及分频器设计室 → 大家讨论一下这个分频器的串联谐振电路


  共有13724人关注过本帖树形打印复制链接

主题:大家讨论一下这个分频器的串联谐振电路

帅哥哟,离线,有人找我吗?
PMAQ
  1楼 | 信息 | 搜索 | 邮箱 | 主页 | UC


加好友 发短信
等级:新手上路 帖子:72 积分:797 威望:0 精华:0 注册:2006-10-14 17:22:01
大家讨论一下这个分频器的串联谐振电路  发帖心情 Post By:2007-3-29 22:14:50 [只看该作者]

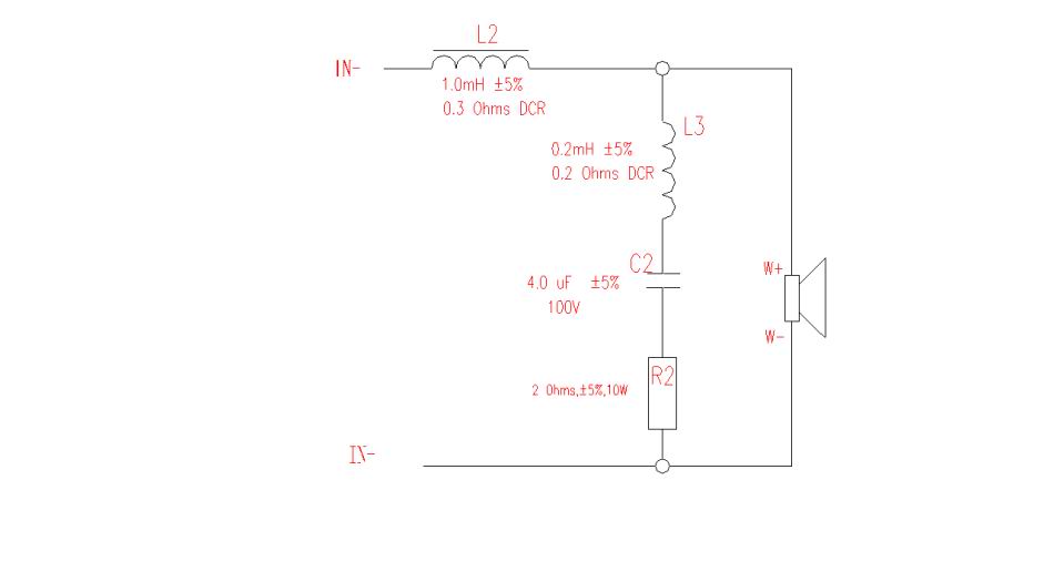
一般这种串联谐振电路是用来除掉阻抗曲线上的那个共振峰的,一般共振峰都在40~300HZ之间吧,但是这个电路的谐振频率算起来有五千多,怎么可能呢?请各位高手发表意见

图片点击可在新窗口打开查看此主题相关图片如下:
图片点击可在新窗口打开查看
[此贴子已经被作者于2007-03-29 22:18:21编辑过]

 回到顶部
帅哥哟,离线,有人找我吗?
imxp
  2楼 | 信息 | 搜索 | 邮箱 | 主页 | UC


加好友 发短信 野兔新任书记员
等级:版主 帖子:809 积分:14423 威望:2 精华:10 注册:2005-11-6 0:00:34
  发帖心情 Post By:2007-3-29 22:23:42 [只看该作者]

“一般这种串联谐振电路是用来除掉阻抗曲线上的那个共振峰的”

这个“一般”就是导致判断“不可能”的伏笔啊。



你在楼上拍板砖,拍板砖人在楼下拍你。

 回到顶部
帅哥哟,离线,有人找我吗?
PMAQ
  3楼 | 信息 | 搜索 | 邮箱 | 主页 | UC


加好友 发短信
等级:新手上路 帖子:72 积分:797 威望:0 精华:0 注册:2006-10-14 17:22:01
  发帖心情 Post By:2007-3-29 22:29:36 [只看该作者]

 根据FO=1/(2*PAI*sqt(LC))这个公式算了一下,F0等于5千多,这个六寸半喇叭在2K处分频,加这个串联谐振电路的作用是什么?

 回到顶部
帅哥哟,离线,有人找我吗?
PMAQ
  4楼 | 信息 | 搜索 | 邮箱 | 主页 | UC


加好友 发短信
等级:新手上路 帖子:72 积分:797 威望:0 精华:0 注册:2006-10-14 17:22:01
  发帖心情 Post By:2007-3-29 22:32:31 [只看该作者]

imxp兄回复真快啊


 回到顶部
帅哥哟,离线,有人找我吗?
PMAQ
  5楼 | 信息 | 搜索 | 邮箱 | 主页 | UC


加好友 发短信
等级:新手上路 帖子:72 积分:797 威望:0 精华:0 注册:2006-10-14 17:22:01
  发帖心情 Post By:2007-3-29 22:44:41 [只看该作者]


图片点击可在新窗口打开查看此主题相关图片如下:
图片点击可在新窗口打开查看
此图是6.5寸喇叭装箱后的曲线VS装箱后带上分频器后的曲线

 回到顶部
帅哥哟,离线,有人找我吗?
y12356
  6楼 | 信息 | 搜索 | 邮箱 | 主页 | UC


加好友 发短信
等级:新手上路 帖子:158 积分:1553 威望:0 精华:0 注册:2006-9-27 15:30:09
  发帖心情 Post By:2007-3-30 12:03:41 [只看该作者]

这是用来消减振膜分割振动的,如果是刚性盆的话,盆的前几个分割谐振峰是很强的,所以需要在分频区外也消掉.


 回到顶部
帅哥哟,离线,有人找我吗?
3dg6
  7楼 | 信息 | 搜索 | 邮箱 | 主页 | UC


加好友 发短信
等级:新手上路 帖子:44 积分:391 威望:0 精华:0 注册:2007-3-28 11:59:06
  发帖心情 Post By:2007-3-30 16:05:21 [只看该作者]

扬声器阻带以外的响应也应该高度重视,阻带之外的频率响应最好单调下降,如果出现很多峰谷,这意味着某种谐振,对应到时域相应上就意味着声波振零(类似于功放电路对于方波响应的振零)。

 回到顶部
帅哥哟,离线,有人找我吗?
qp
  8楼 | 信息 | 搜索 | 邮箱 | 主页 | UC


加好友 发短信
等级:业余侠客 帖子:76 积分:1796 威望:0 精华:0 注册:2006-6-17 19:06:51
  发帖心情 Post By:2007-3-30 16:13:55 [只看该作者]

如果是吸收低频阻抗峰,电感和电容的数值会很大!

吸收合理的话,声音会连升N级!


 回到顶部
帅哥哟,离线,有人找我吗?
PMAQ
  9楼 | 信息 | 搜索 | 邮箱 | 主页 | UC


加好友 发短信
等级:新手上路 帖子:72 积分:797 威望:0 精华:0 注册:2006-10-14 17:22:01
  发帖心情 Post By:2007-3-30 21:39:03 [只看该作者]

以下是引用y12356在2007-03-30 12:03:41的发言:

这是用来消减振膜分割振动的,如果是刚性盆的话,盆的前几个分割谐振峰是很强的,所以需要在分频区外也消掉.

yt2356说得很正确,是个高人,多谢了!


 回到顶部
帅哥哟,离线,有人找我吗?
PMAQ
  10楼 | 信息 | 搜索 | 邮箱 | 主页 | UC


加好友 发短信
等级:新手上路 帖子:72 积分:797 威望:0 精华:0 注册:2006-10-14 17:22:01
  发帖心情 Post By:2007-3-30 21:43:10 [只看该作者]

以下是引用Liangheo在2007-03-30 13:02:38的发言:
看错了,应该是吸收4点几K的那个峰的。

多谢Liangheo兄!这个陷波器是用来吸收4点几K的那个峰的。看来我发现这个网站太迟了,高手如云啊!

真的很感谢大家这么积极的回复我提出的问题!


 回到顶部
帅哥哟,离线,有人找我吗?
音响初哥
  11楼 | 信息 | 搜索 | 邮箱 | 主页 | UC


加好友 发短信 东厂仅一位
等级:超级版主 帖子:2753 积分:21830 威望:10 精华:20 注册:2005-10-31 11:19:00
  发帖心情 Post By:2007-4-13 22:09:10 [只看该作者]

"吸收"?如何吸收?



设计及承建消声室/试听室;提供专业隔声门/吸声尖劈
mobile:13632682797
qq:93514358
 回到顶部
帅哥哟,离线,有人找我吗?
DAAS
  12楼 | 信息 | 搜索 | 邮箱 | 主页 | UC


加好友 发短信 野兔帮--组织部长
等级:版主 帖子:877 积分:7027 威望:1 精华:10 注册:2005-11-2 19:06:06
  发帖心情 Post By:2007-5-31 16:02:42 [只看该作者]

衰减/减少输入喇叭的相应电平而已(比如说4k处)

希望没说错,被初哥劈砖.....



野兔帮-南声第一个帮派
立志吃尽南声免费野菜
 回到顶部
帅哥哟,离线,有人找我吗?
jma
  13楼 | QQ | 信息 | 搜索 | 邮箱 | 主页 | UC


加好友 发短信 小马哥
等级:版主 帖子:3126 积分:27130 威望:2 精华:8 注册:2006-1-19 20:29:17
  发帖心情 Post By:2007-5-31 16:17:06 [只看该作者]

初哥的砖现在有初嫂掌管呢,哪有功夫来劈你的砖,,


独学而无友,则孤陋寡闻!!!
E-Mail:jma168@163.com 广告勿扰!
 回到顶部
帅哥哟,离线,有人找我吗?
音响初哥
  14楼 | 信息 | 搜索 | 邮箱 | 主页 | UC


加好友 发短信 东厂仅一位
等级:超级版主 帖子:2753 积分:21830 威望:10 精华:20 注册:2005-10-31 11:19:00
  发帖心情 Post By:2007-6-1 1:00:00 [只看该作者]

呵呵,能量不灭,都哪去了?

如果被消耗了,浪费吗?



设计及承建消声室/试听室;提供专业隔声门/吸声尖劈
mobile:13632682797
qq:93514358
 回到顶部
帅哥哟,离线,有人找我吗?
音响初哥
  15楼 | 信息 | 搜索 | 邮箱 | 主页 | UC


加好友 发短信 东厂仅一位
等级:超级版主 帖子:2753 积分:21830 威望:10 精华:20 注册:2005-10-31 11:19:00
  发帖心情 Post By:2007-6-1 1:00:30 [只看该作者]

呵呵,能量不灭,都哪去了?

如果被消耗了,浪费吗?



设计及承建消声室/试听室;提供专业隔声门/吸声尖劈
mobile:13632682797
qq:93514358
 回到顶部
帅哥哟,离线,有人找我吗?
liheng_rd
  16楼 | 信息 | 搜索 | 邮箱 | 主页 | UC


加好友 发短信 微型扬声器
等级:职业侠客 帖子:121 积分:1927 威望:0 精华:0 注册:2007-5-31 19:07:18
  发帖心情 Post By:2007-6-10 12:06:32 [只看该作者]

图片点击可在新窗口打开查看

“一般这种串联谐振电路是用来除掉阻抗曲线上的那个共振峰的”

这个“一般”就是导致判断“不可能”的伏笔啊。


 回到顶部
帅哥哟,离线,有人找我吗?
gcc
  17楼 | 信息 | 搜索 | 邮箱 | 主页 | UC


加好友 发短信
等级:新手上路 帖子:51 积分:362 威望:0 精华:0 注册:2007-2-21 23:58:45
  发帖心情 Post By:2010-3-22 1:02:09 [只看该作者]

看了,收获颇多!!

 回到顶部
帅哥哟,离线,有人找我吗?
okk
  18楼 | 信息 | 搜索 | 邮箱 | 主页 | UC


加好友 发短信
等级:新手上路 帖子:279 积分:1696 威望:0 精华:2 注册:2006-1-20 17:30:56
  发帖心情 Post By:2010-3-25 12:33:50 [只看该作者]

这个电路要全面看,它的作用是拉平500-3K段的凸起的。效果很好。

不要忘了L2的存在。


 回到顶部
帅哥哟,离线,有人找我吗?
玛田音箱
  19楼 | QQ | 信息 | 搜索 | 邮箱 | 主页 | UC


加好友 发短信
等级:蜘蛛侠 帖子:1078 积分:12778 威望:0 精华:0 注册:2006-7-27 20:39:17
  发帖心情 Post By:2010-3-25 22:06:34 [只看该作者]

这个LCR电路的成本足够买一张好的盆了



QQ:伍肆叁捌玖零玖陆叁
SKYPE:MT13425115072
手机:壹捌玖-零贰伍伍-玖壹壹壹
 回到顶部
美女呀,离线,留言给我吧!
钟灵
  20楼 | 信息 | 搜索 | 邮箱 | 主页 | UC


加好友 发短信
等级:新手上路 帖子:1041 积分:7135 威望:0 精华:0 注册:2008-7-8 10:40:29
  发帖心情 Post By:2010-3-29 22:30:05 [只看该作者]


图片点击可在新窗口打开查看此主题相关图片如下:lrc.jpg
图片点击可在新窗口打开查看

 回到顶部
总数 23 1 2 下一页